调光 LED 灯管厂家的方案与使用指南
深圳市郎特科技有限公司是调光 LED 灯管厂家,我们免费提供方案与使用指南
调光方案多样
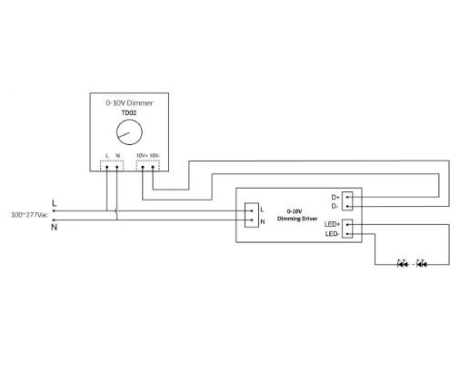
0 - 10V 调光方案:此方案在美洲应用广泛。原理是 0V 时灯灭,1V 时较亮,到 10V 时达满功率亮度。调光器负载功率 200 - 300W,若需大量调光,要配备相关系统。当 DC0 - 10V 驱动光源信号线超 5m,建议用导电性强、线径大的线材,或加信号放大器解决压降问题。如生产车间调光灯管项目,满足双支带罩支架装 2 只 18W 灯管,25 套一组,总功率 900W,调光器与灯具距离 40 米的条件。采用铝塑管调光灯管,内置 0 - 10V 调光电源,单端通电实现需求,但安装时要注意两端接线,避免接反烧毁灯管。
应急调光方案:应急 LED 灯管带调光功能,集断电应急照明与感应调光于一体。内置逆变器和充电电池,用于应急照明;平时可作雷达感应灯管,如车库、停车场、过道照明,实现无人 5W、有人 18W 的智能转换。分体式 T8 应急调光灯管适配任何 T8 支架,安装前检查长度匹配;一体式则无需支架,装卡扣后通电即亮。
调光调色温方案:灯管由 LED 灯板(双色温两条)和内置电源、调光调色电源构成。通过调节电流大小控制 LED 灯珠亮度,调节两条灯板(如 3000K 低色温、6500K 高色温)亮暗比例实现调色温。如要暖色温,3000K 灯板发光;要冷色温,6500K 灯板发光;要中性光 4000K,两灯管各亮一半混合光线。可人工调光,厂家配调光开关;也可电脑控制,利用 5G 或 WIFI 远距离智能化遥控。
使用指南,方法便捷
安装:选兼容调光开关,断电后按说明书将 LED 灯管正确装到灯具内。如欧司朗 LED 灯管,安装前确认调光开关兼容性。
接线:
调节亮度与色温:
