双管led灯管替换双管荧光灯方法步骤
深圳市郎特科技有限公司双管 LED 灯管替换双管荧光灯,通常有兼容镇流器和免镇流器直连两种方式,其中免镇流器直连较为常见,以下是具体方法步骤:

准备工作:关闭电源,确保在断电的情况下进行操作,以保障人身安全。准备好螺丝刀等工具,用于拆卸灯具外壳和相关部件。
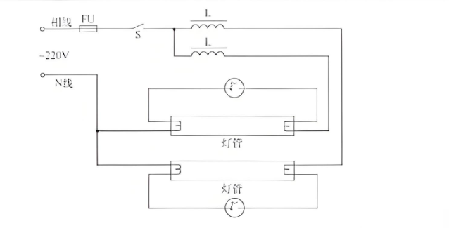
拆卸旧部件:打开灯具外壳,找到并拆除原有的电子镇流器。有些电子镇流器可能与灯具的电路集成在一起,需要小心分离或剪断相关连接线。拧下双管荧光灯,将其从灯座上取下。
接线:找到电子镇流器输入端的两根电源线,一般棕色为火线,蓝色为零线。将这两根线直接连接到双支 LED 灯管的输入线上,LED 灯管的两根输入线通常红色接火线,黑色接零线。连接方式是将两支灯管并联,即火线分别连接到两支灯管的火线输入端,零线分别连接到两支灯管的零线输入端。
检查与测试:检查接线是否正确、牢固,确认无问题后装回灯具外壳,接通电源,查看灯管是否正常亮起。
断电:通过关闭电路 breaker 或灯光开关,确保灯具电源完全关闭。
拆卸旧灯管:小心地将旧的双管荧光灯从灯座上拧下,放置在安全的地方,以便后续处理或回收。
安装新灯管:将双管 LED 灯管直接插入原荧光灯的灯座,确保灯管的引脚与灯座孔对齐,然后轻轻旋转灯管,使其固定牢固。
测试:打开电源,检查 LED 灯管是否正常发光。如果灯管正常工作,说明替换成功。
不同品牌和型号的双管 LED 灯管在接线细节上可能会有所不同,因此在操作前一定要仔细阅读产品说明书。如果对电气知识了解有限,建议请专业电工进行接线,以确保安全和正常使用。www.ledlongtech.com 