郎特调光led灯管两种方式对比优缺点,可控硅调光与0-10v调光
可控硅调光和 0-10V 调光都是常见的 LED 灯管调光方式,以下是它们的优缺点对比:
优点
兼容性好:可控硅调光器可以直接替换传统的白炽灯调光器,不需要对线路进行大规模改造,适用于大多数现有的照明系统,尤其是家庭和小型商业场所中已经安装了可控硅调光设备的情况。
成本较低:可控硅调光器的价格相对较为便宜,而且由于其技术成熟,生产规模大,所以整体成本较低,包括调光器本身以及安装和维护成本。
调光范围广:能够实现较宽的调光范围,通常可以从 0% 到 100% 进行调光,满足不同场景下的亮度需求。
缺点
谐波干扰:可控硅调光通过斩波的方式来改变电压,会产生谐波,可能对电网造成干扰,影响其他电器设备的正常运行,尤其是在对电磁兼容性要求较高的场所,如医院、实验室等,可能会带来问题。
调光精度有限:在低亮度下可能会出现闪烁或亮度不均匀的现象,调光精度相对较低,难以实现非常精确的亮度控制。
不适用于大功率灯具:对于功率较大的 LED 灯管调光,可控硅调光可能会出现过热等问题,影响调光器和灯具的寿命,甚至存在安全隐患。

优点
高精度调光:0-10V 调光属于模拟调光方式,能够提供非常精确的亮度控制,调光曲线平滑,在整个调光范围内都能实现稳定、无闪烁的调光效果,适用于对灯光质量要求较高的场所,如博物馆、画廊、高端酒店等。
电磁兼容性好:郎特调光灯管由于采用的是低电压模拟信号进行调光,不会产生谐波干扰,对电网和其他设备的影响较小,符合电磁兼容性标准,适用于各种对电磁环境要求严格的场所。
可扩展性强:易于实现多个灯具的联动控制和集中控制,方便构建智能照明系统,可以通过中央控制器对多个灯具进行统一调光和管理,实现复杂的照明场景设置和自动化控制。
缺点
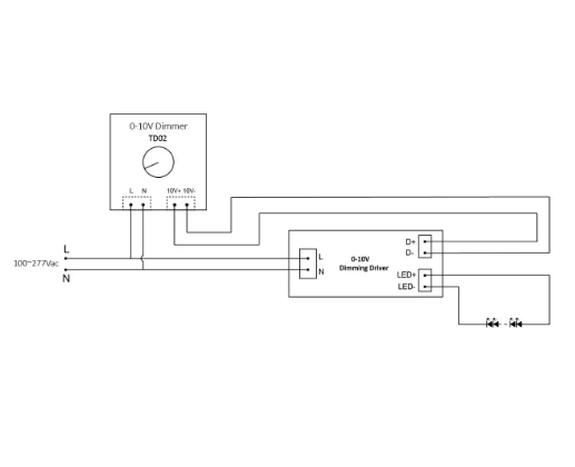
布线复杂:需要单独铺设 0-10V 的控制线,与 LED 灯管的电源线分开,布线成本较高,尤其是在对现有照明系统进行改造时,可能需要重新布线,施工难度较大。
设备成本高:0-10V 调光器和配套的灯具驱动器价格相对较高,增加了整个照明系统的初始投资成本。
兼容性问题:不同厂家的 0-10V 调光设备之间可能存在兼容性问题,在选择设备时需要注意品牌和型号的匹配,否则可能无法正常工作或达不到预期的调光效果。
